產品中心
聯系我們
聯 系 人:侯先生 銷售經理
聯系手機:18925816809
聯 系 QQ:2850175983
聯 系 人:陳先生 銷售經理
聯系手機:13428700967
聯 系 QQ:2850175982
聯 系 人:李小姐 銷售跟單
聯系手機:18925816909
聯 系 QQ:2850175987

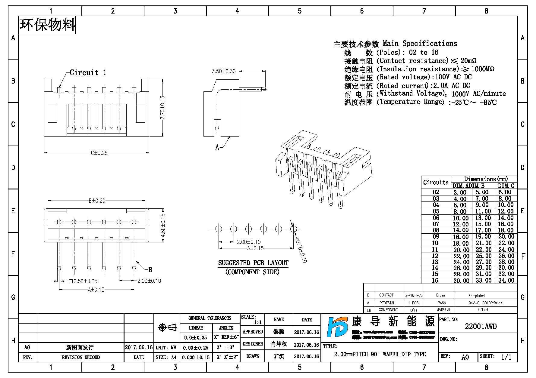
類 別:消費類連接器
系 列:PH2.0系列
應 用:線對板連接器
產品名稱:針座
規格型號:PH:2.0MM H:4.60MM 1*NP 90度 帶翼
產品間距:2.00MM
產品行距:2.00MM
電 路 數:1*2P-1*16P
顏 色:白色/米黃色
塑膠材料:PA66 PA6T
塑膠高度:4.60MM
端子長度:5.50MM
金屬材料:黃銅/磷銅
電鍍材料:鍍錫/鍍金
運行溫度:-25°C to +85°C
接觸類型:焊接
裝板方向:平行
裝線大小:AWG24#-AWG32#
最大電流:2.0A
最大耐溫:260度
最大耐壓:1000V
額定電壓:250V



