產品中心
聯系我們
聯 系 人:侯先生 銷售經理
聯系手機:18925816809
聯 系 QQ:2850175983
聯 系 人:陳先生 銷售經理
聯系手機:13428700967
聯 系 QQ:2850175982
聯 系 人:李小姐 銷售跟單
聯系手機:18925816909
聯 系 QQ:2850175987
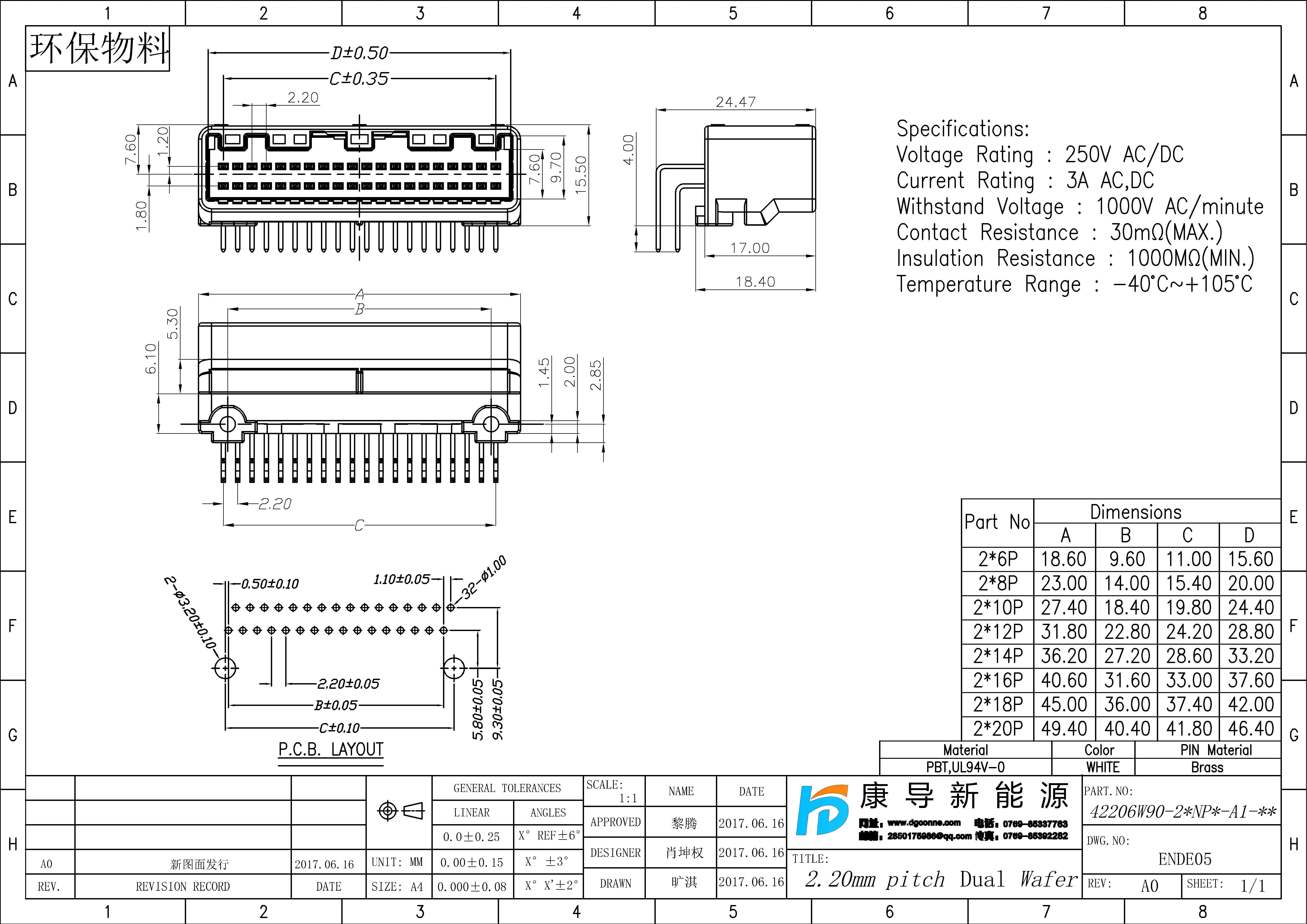
類 別:車載連接器
系 列:42206系列
應 用:汽車電子
產品名稱:汽車針座
規格型號:PH:2.20MM H:15.50MM 2*NP 90度
產品間距:2.20MM
產品行距:2.20MM
電 路 數:8P 12P 16P 20P 24P 28P 32P 36P 40P
顏 色:本色 黑色
塑膠材料:PBT
塑膠高度:15.50MM
端子長度:19.50MM
金屬材料:黃銅/高導銅
電鍍材料:鍍錫/鍍半金
運行溫度:-45°C to +105°C
接觸類型:焊接
裝板方向:平行
裝線大小:AWG22#-AWG28#
最大電流:3.0A
最大耐溫:220度
最大耐壓:1000V
額定電壓:250V