產品中心
聯系我們
聯 系 人:侯先生 銷售經理
聯系手機:18925816809
聯 系 QQ:2850175983
聯 系 人:陳先生 銷售經理
聯系手機:13428700967
聯 系 QQ:2850175982
聯 系 人:李小姐 銷售跟單
聯系手機:18925816909
聯 系 QQ:2850175987
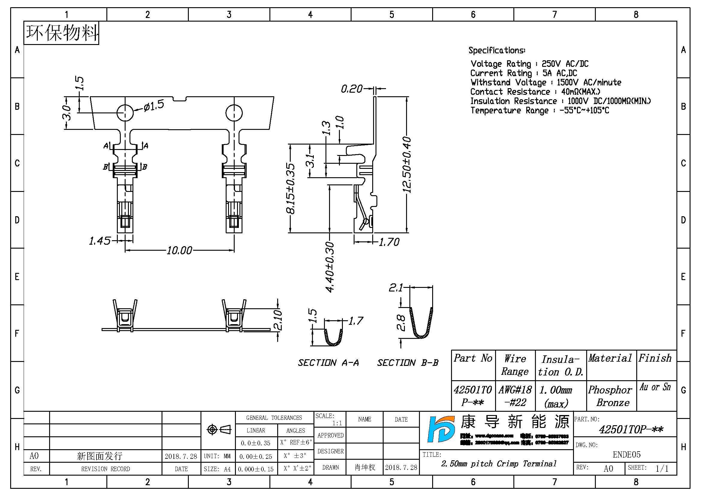
類 別:車載連接器
系 列:42501系列
應 用:汽車電子
產品名稱:汽車端子
規格型號:PH:2.50MM L:8.15MM AWG20#-AWG28# 線端母端子
產品間距:2.50MM
產品行距:2.50MM
電 路 數:4P 6P 8P 10P 12P 16P 20P
顏 色:黑色 本色
塑膠材料:PBT
塑膠高度:11.30MM
端子長度:8.15MM
金屬材料:黃銅/高導銅
電鍍材料:鍍錫/鍍半金
運行溫度:-45°C to +105°C
接觸類型:壓接式
裝板方向:平行/垂直
裝線大小:AWG20#-AWG28#
最大電流:5A
最大耐溫:260度
最大耐壓:1500V
額定電壓:250V